728x90
반응형
경희대학교 김정욱 교수님의 컴퓨터구조 강의를 기반으로 정리한 글입니다.
Overview of Pipelining
- Pipelining: 여러 인스트럭션들이 중첩해서 실행시키는 기법

Pipeline Instruction-execution (5 stages)
- 메모리에서 인스트럭션을 Fetch
- 인스트럭션을 decoding하는 동안 레지스터를 Read
- 작업을 수행하거나 주소 계산
- Data memory의 operand에 접근
- 레지스터에 결과를 Write

Pipelining Speed-Up Discussion
Single cycle vs. Pipelined performace

Pipelining speed-up
- stage들이 완벽하게 밸런스를 이루고 있으면

- 하지만 이런 경우는 없음
인스트럭션 3개의 실행 시간 비교
- Nonpipelined: 2400ps
- Pipelined: 1400ps
- 약 1.71배 차이
인스트럭션 1,000,003개의 실행 시간 비교
- Nonpipelined: 1,000,000 * 800ps + 2400ps ≅ 800,000,000ps
- Pipelined: 1,000,000 * 200ps + 1400ps ≅ 200,000,000ps
- 약 4배 차이
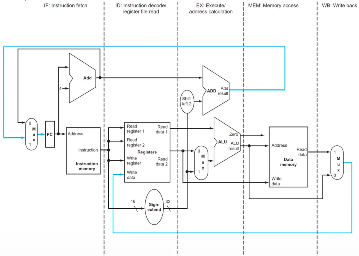
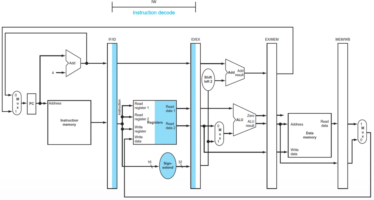
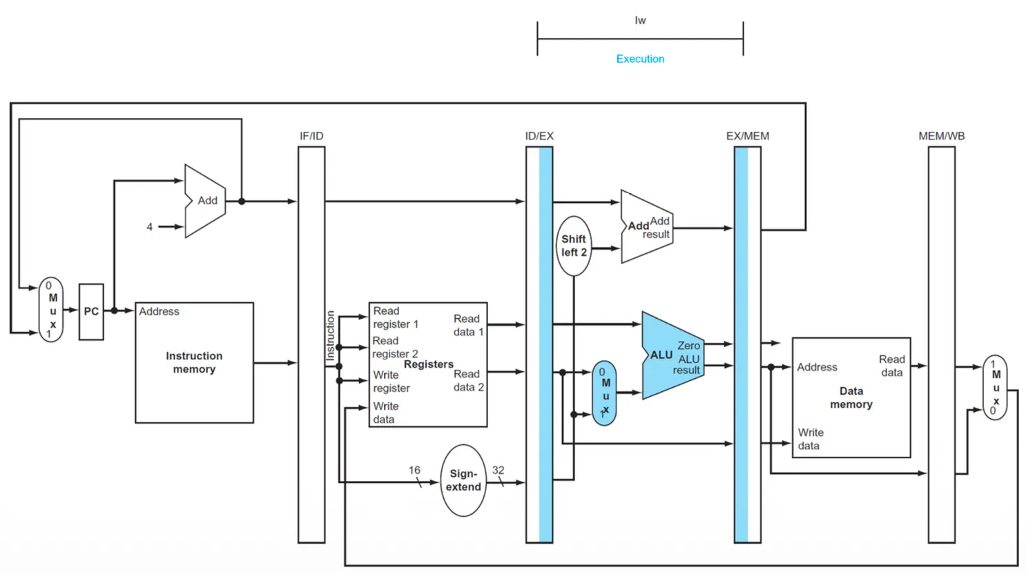
Pipelined Datapath and Control
5 stages of Pipelining
- IF: Instruction Fetch
- ID: Instruction decode and register file read
- EX: Execution or address calculation
- MEM: Data memory access
- WB: Write back
- 보통 왼쪽에서 오른쪽으로 진행
- 예외1: WB stage
- 예외2: PC의 next value 선택

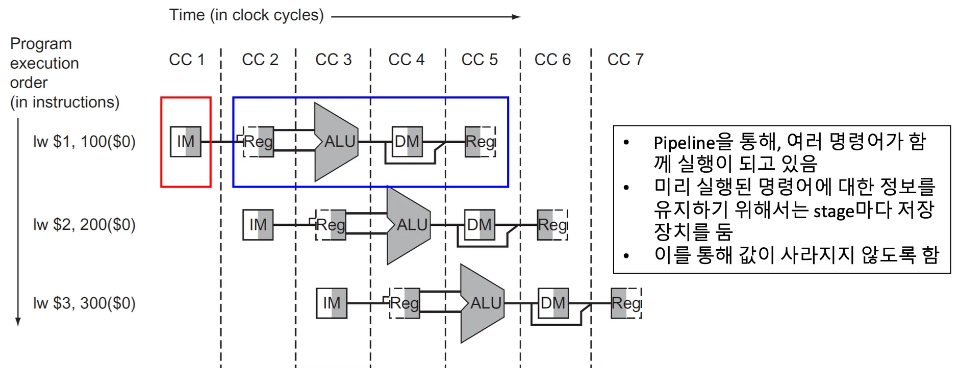
Pipeline register
- CC1 내부의 Instruction Memory는 다음 4개의 스테이지와 공유
- CC2의 IM이 fetch되면, CC1의 IM 값은 삭제될 수 있음
- 각각의 인스트럭션 값을 보존하기 위해(나머지 4단계), IM으로부터 읽어온 값은 레지스터에 저장됨

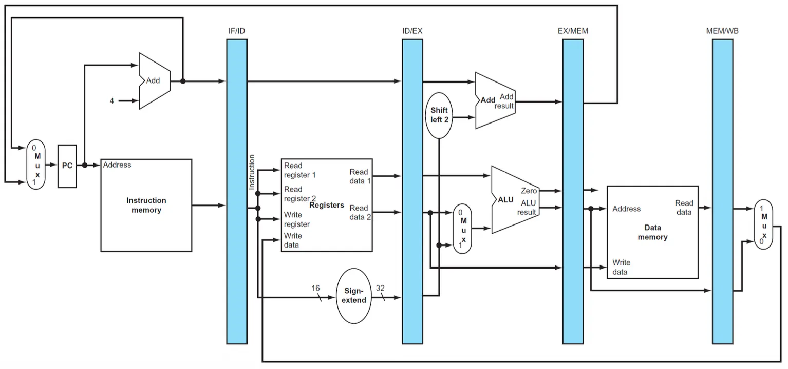
Pipelined datapath with pipeline register

Five stages
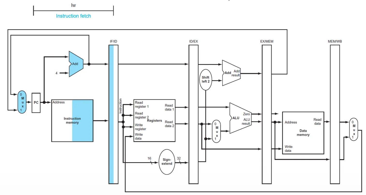
1. Instruction fetch
- PC address는 4만큼 더해지고, 다음 clock cycle을 준비하기 위해 PC로 돌아옴
- 이렇게 더해진 주소는 IF/ID pipeline register에 저장됨 → beq 같은 나중 명령어를 위해 필요

2. Instruction decode and register file read
- IF/ID pipeline register에 기반하여 3개의 값을 얻음 → sign-extend 32-bits, 2개의 레지스터 데이터
- 3개의 값 모두 ID/EX pipeline register에 저장됨
- 증가된 PC address도 저장됨

3. Execute or address calculation
- ID/EX pipeline register에 기반하여 EX/MEM pipeline register에 저장할 3개의 값을 얻음
- (PC+4) + sign-extended 32-bits, Zero, ALU result

4. Memory address
- EX/MEM pipeline register로부터 얻은 address를 이용하여 MEM/WB pipeline register에 메모리로부터 읽은 데이터를 저장

5. Write-back
- MEM/WB pipeline register에서 데이터를 읽어서 레지스터 파일에 저장
- sw 일 때는 아무 일도 일어나지 않음

Graphically Representing Pipelines
- Multiple clock cycle pipeline diagram의 두 가지 스타일
1. 모든 디테일을 포함하지 않는 경우

2. 모든 디테일을 포함하는 경우(전통적인 방식)

Single clock cycle pipeline diagram


Pipelined Control
- Control signals는 EX, M, WB으로 나뉨
- IF, ID 단계는 아직 디코드가 끝나지 않음 → 뭘 할지 모름 → Control signal 없음
- 아직 사용되지 않은 Control signals는 전달

728x90
반응형
'Computer Science > Computer Architecture' 카테고리의 다른 글
| [컴퓨터구조] Lecture 17: Memory Hierarchy - Part1 (0) | 2026.02.12 |
|---|---|
| [컴퓨터구조] Lecture 15: The Processor - Part4 (0) | 2026.02.12 |
| [컴퓨터구조] Lecture 13: The Processor - Part2 (0) | 2026.02.12 |
| [컴퓨터구조] Lecture 12: The Processor - Part1 (0) | 2026.02.12 |
| [컴퓨터구조] Lecture 10: Arithmetic for Computers - Part2 (0) | 2026.02.08 |